De behuizing van de Laing E10 is volledig geĂ¯soleerd van de motor, zonder aandrijfas of metalen voering, waardoor elk risico dat water de motor binnendringt wordt geĂ«limineerd. Hij is speciaal ontworpen om 24 uur per dag te werken.
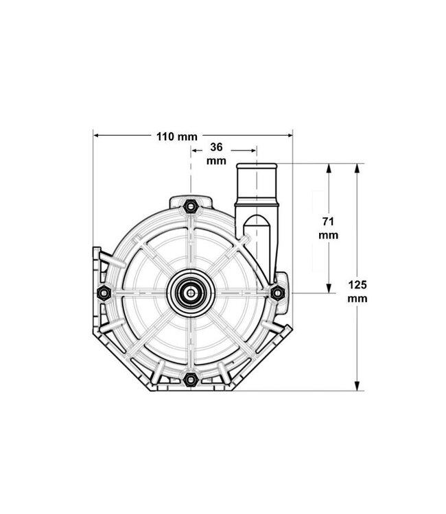
Afmetingen
Lengte: 152 mm
Breedte: 110 mm
Hoogte: 125 mm
Technische kenmerken
Vermogen: 60W, 1/40 PK
Debiet: Ongeveer 40 liter/min
Aansluitingen
Afvoer en zuiging: mannelijke uiteinden voor een 3/4 inch M+ aansluiting .
Lijm de slang niet op de pomp: deze wordt op zijn plaats gehouden met een klem .
Kabel en stekker
Deze pomp is voorbedraad verkrijgbaar, zonder stekker (lengte 110 cm). Als deze in goede staat verkeert, kunt u de bedrading van uw oude pomp behouden. U vindt een bedradingsschema op de achterkant van het deksel van het besturingssysteem. 
 
       
       
        
        
        
              
      
            
        
      
            
            
       
        
        
        
              
      
            
        
      
            
            
      